Overview
This guide goes through the steps we used to replace the brake pads on a 1987 Ferrari Testarossa. Our car had the OEM ATE pads, which had not been replaced in a while. Prior to replacing the pads, our braking performance was moderate - if we tried to brake in haste, the car would slow down, but nothing like a modern car. After replacing the pads and brake fluid, we are able to lock up the wheels under hard braking. These pads have totally transformed the driving characteristic of the car - we can confidently drive "spiritedly" on curvy back roads! We went with the Porterfield R4-S compound based on the recommendations of other Testarossa owners for being an excellent compound for spirited driving on the road and some track use. Given how much these pads transformed the car, we would definitely recommend to other owners.
Ideally, when replacing the brake pads, it would be best to either resurface the rotors with a brake lathe or replace the rotors if they are too warn. Our rotors were replaced a few years ago by the prior owner, but barely driven, so we only lightly sanded/scuffed the rotors. After replacing the brake pads, it is also good to flush the brake fluid at the same time. We flushed the brake fluid after replacing the pads - the guide can be found here.
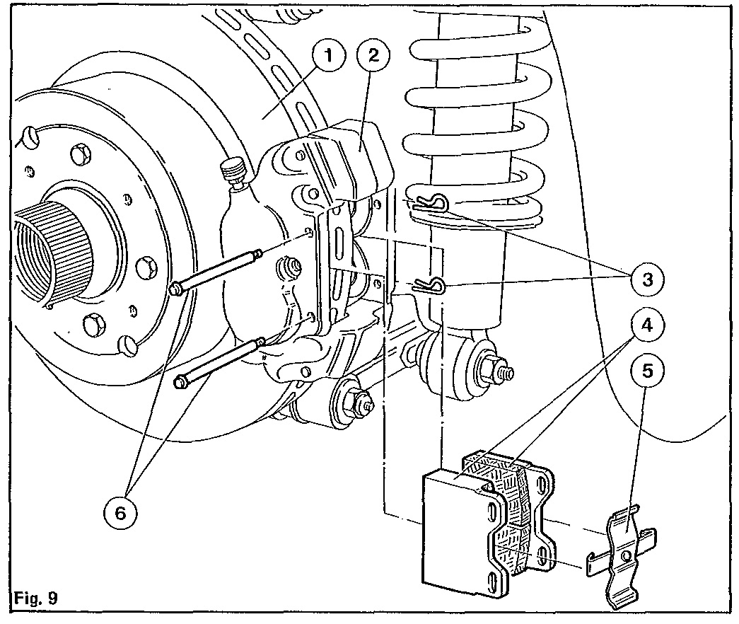
We also found that there seems to be three scenarios for the pins holding the brake pads in place. Each of these scenarios are described in Step 4. Depending on the scenario, you may need to remove the caliper and possibly the rear sway bar to gain access to the brake pad pins.
Parts Used
| Part | Quantity | Part No. | Links to ones we used |
|---|---|---|---|
| Front Brake Pads 1 | 1 Set | Porterfield AP82 R4-S | LPI Racing |
| Rear Brake Pads 1 | 1 Set | Porterfield AP32 R4-S | LPI Racing |
| Brake Parts Cleaner | 1 - 2 | Chlorine-Free Brake Parts Cleaner | Amazon |
| Brake Parts Lubricant | 1 | Permatex 24125 Ceramic Extreme Brake Parts Lubricant | Amazon |
1There are a multitude of brake pads that fit the Testarossa. We chose these because of the numerous recommendations we found from other Testarossa owners. These have positively transformed the braking performance of our car!
Tools Used
| Tool | Link |
|---|---|
| Quick Jack BL-5000XL portable lift | Amazon |
| Jack Stands | Amazon |
| Large Oil Pan | Amazon |
| 19 mm 6-Point Socket, 3/8" Drive 2 | Amazon |
| 11 mm Flare Nut Wrench | Amazon |
| 3/8" Drive Ratchet | Amazon |
| 3/8" Drive Torque Wrench | Amazon |
| 5/32" (3.969 mm) Punch | Amazon |
| Dead Blow Hammer (2 lbs) | Amazon |
| Digital Caliper | Amazon |
| Blade Feeler Gauge | Amazon |


















